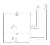
156、图示为两种液体盛于容器中,且密度ρ₂>ρ₁,则AB两测压管中的液面必为( )。

158、流体静力学的基本方程p=p0+ρgh( )。
163、图中正确的等压面是( )。

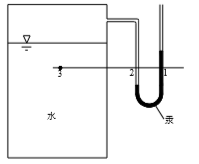
170、在密闭容器上装有U形水银测压计,其中1、2、3点位于同一水平面上,其压强关系为( )。

171、用U形水银压差计测量水管内AB两点的压强差,水银面高差hp=10cm,PA-PB为( )。

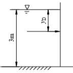
173、垂直放置的矩形平板挡水水深3m,静水总压力p的作用点到水面的距离yD为( )。

187、在应用恒定总流的能量方程时,可选用下图中的( )断面,作为计算断面。

195、如图所示水平放置的渐缩管(不可压缩流体,忽略水头损失),渐变流断面1-1与渐变流断面2-2形心点的压强P₁,P₂满足( )。
