欢迎来到探猎阁,今天是2025年12月14日 星期日
登录
注册
退出登录
课程介绍
建筑工程
一级建造师
二级建造师
一级造价
二级造价
土建中级职称
监理工程师
咨询工程师
消防安全
一级消防
安全工程师
消防设施操作员
医卫健康
执业药师
护士资格证
初级护师
主管护师
临床执业医师
中医执业医师
中西医执业医师
乡村执业助理医师
高等教育
研究生
成人高考
职业资格
幼儿教师资格
小学教师资格
中学教师资格
高中教师资格
人力资源师
考公考编
公务员
课程中心
题库
师资
资讯
学习中心
学习工具
全国统一报名热线
13641316320
您的位置:
网站首页
>
第52部分
多选题: 50题
总题量: 50题
1
[多选题]
2551、供热管线平面位置的确定,即定线,应遵守的基本原则有( )。
A.
经济上合理
B.
技术上可靠
C.
对周围环境影少而协调
D.
横平竖直
E.
敷设在行车道
收藏
纠错
解析
2
[多选题]
2552、供热管道的敷设形式,分为( )。
A.
地上(架空)敷设
B.
地下敷设
C.
跨越敷设
D.
平行敷设
E.
环状敷设
收藏
纠错
解析
3
[多选题]
2553、热水供热系统常见的定压方式有( )。
A.
膨胀水箱定压
B.
补水泵定压
C.
气体定压罐定压
D.
蒸汽定压
E.
管道定压
收藏
纠错
解析
4
[多选题]
2554、根据供热系统的组成将集中供热系统的自控分为( )。
A.
热源部分
B.
管网
C.
旁路
D.
中继泵站
E.
热力子站
收藏
纠错
解析
5
[多选题]
2555、集中供热调节的方法主要有( )。
A.
量调节
B.
质调节
C.
间歇调节
D.
质量—流量调节
E.
温度调节
收藏
纠错
解析
6
[多选题]
2556、目前我国在供热工程中采用的热量计量主要有( )。
A.
散热器热分配表法
B.
户用热量表法
C.
流量温度法
D.
通断时间面积法
E.
流量计法
收藏
纠错
解析
7
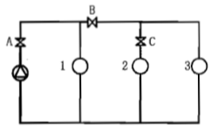
[多选题]
2557、图示热水供暖系统,若关小阀门B,下列说法正确的是( )。
A.
供回水干管的平均比摩阻减小
B.
用户1的作用压差增大
C.
用户2的作用压差减小
D.
用户3的作用压差减小
E.
各用户的流量按同一比例增加
收藏
纠错
解析
8
[多选题]
2558、属于特种设备的是( )。
A.
调压柜
B.
压力容器(含气瓶)
C.
压力管道
D.
电梯
E.
起重机械
收藏
纠错
解析
9
[多选题]
2559、常见的压力容器安全附件包括( )。
A.
安全阀
B.
球阀
C.
爆破片
D.
易熔塞
E.
紧急切断阀
收藏
纠错
解析
10
[多选题]
2560、出现( )的情况时应不得进行LNG卸车或立即终止卸车作业。
A.
储罐压力异常、液位异常
B.
出现雷雨天气
C.
气温高于26摄氏度时
D.
检测有气体泄漏
E.
LNG槽车压力、液位异常
收藏
纠错
解析
11
[多选题]
2561、通气点火时对燃气表进行安全检查,检查项目包括( )。
A.
数码盘清晰,计数准确
B.
锈蚀、漏气、密封
C.
偷气
D.
安装固定
E.
吹灰
收藏
纠错
解析
12
[多选题]
2562、基坑开挖之前,要按照( )确定支护方案。
A.
土质情况
B.
基坑情况
C.
周边环境
D.
人员多少
E.
施工机械情况
收藏
纠错
解析
13
[多选题]
2563、加注及补充四氢噻吩,应当由符合要求的供应商进行,并做到( )。
A.
其包装物应由供应商及时处理运走
B.
在购买合同中明确相关的环境保护责任和义务
C.
将废桶自行清洗再度利用
D.
防止造成二次污染
E.
单独收集,委托有资质单位处理
收藏
纠错
解析
14
[多选题]
2564、不锈钢波纹管暗封应符合的要求有( )。
A.
暗封于吊顶、装饰层或橱柜内时宜用管卡座贴墙(壁)敷设,并确保管道四平八稳
B.
装潢吊顶或饰层与管道之间应有不小于20mm的间隙,其结构应便于管道的安装和检修
C.
穿越墙壁时应加钢套管,DN15管道用DN30套管,管道与套管间用柔性的防腐防水材料填实
D.
每隔800~1000mm应使用管卡固定,遇到弯角处要在转的两边进行固定
E.
若暗封在楼层地板垫和管沟内,管沟应设置活动盖板并填充干沙
收藏
纠错
解析
15
[多选题]
2565、特种作业人员应当符合的条件是( )。
A.
年满16周岁,且不超过国家法定退休年龄
B.
具有小学及以上文化程度
C.
具备必要的安全技术知识与技能
D.
经社区或者县级以上医疗机构体检健康合格,并无妨碍从事相应特种作业的器质性心脏病、癫痫病、美尼尔氏症、眩晕症、癔病、震颤麻痹症、精神病、痴呆症以及其他疾病和生理缺陷
E.
相应特种作业规定的其他条件
收藏
纠错
解析
16
[多选题]
2566、燃气工程施工现场实施安全监督管理的有( )。
A.
用电安全管理
B.
管道吊装
C.
焊接连接
D.
沟槽开挖
E.
防风指示
收藏
纠错
解析
17
[多选题]
2567、市区外地下高压燃气管道沿线应设置( )等永久性标志。
A.
里程桩
B.
转角桩
C.
检测桩
D.
交叉和警示牌
E.
防风标示
收藏
纠错
解析
18
[多选题]
2568、聚乙烯塑料管道进行开孔、封堵作业时,应符合的要求正确是( )。
A.
封堵作业下堵塞时应试操作1次
B.
安装机架、开孔机、下堵塞等过程中,不得使用油类润滑剂,对需要润滑部位可涂抹凡士林
C.
应将堵塞安装到位卡紧,确认严密不漏气后,方可拆除机架
D.
安装管件防护套时操作者的头部不得正对管件的上方
E.
每台封堵机操作人员不得多于1人
收藏
纠错
解析
19
[多选题]
2569、关于CNG槽车在充装时的说法,正确的是( )。
A.
作业人员可以短暂的离开充装现场
B.
司机可启动车辆,微移车辆
C.
充装过程应有完整记录
D.
充装现场严禁使用手机
E.
晚上充装,现场照明不足时,可以使用家用的手电筒照明
收藏
纠错
解析
20
[多选题]
2570、聚乙烯管道热熔或电熔连接的环境温度宜在-5℃~40℃范围内,并防止风雨等不良天气影响。当不满足时,应停止施工或采取相应的措施有( )。
A.
在环境温度低于-5℃或风力大于5级时,应采取保温、防风措施
B.
在炎热的夏季进行热熔或电熔连接操作时,应采取遮阳措施
C.
在雨天进行热熔或电熔连接操作时,应采取防雨措施
D.
在环境温度低于0℃或风力大于8级时,应采取保温、防风措施
E.
以上都是
收藏
纠错
解析
21
[多选题]
2571、施工现场的进口处应有整齐明显的五牌一图,是指工程概况牌、( )、文明施工牌。
A.
施工图
B.
管理人员名单及监督电话牌
C.
消防保卫牌
D.
安全生产牌
E.
施工现场平面图
收藏
纠错
解析
22
[多选题]
2572、CNG加气姑的主要设备有( )。
A.
压缩机组
B.
储气装置
C.
CNG槽车
D.
售气机
E.
营业厅
收藏
纠错
解析
23
[多选题]
2573、使用直埋式阀门的优点有( )。
A.
流体阻力小
B.
采用免姓护设计
C.
有利于消除安全隐患
D.
方使维修
E.
减少闭空间
收藏
纠错
解析
24
[多选题]
2574、进入密闭空间作业前应做的安全预防措施有( )。
A.
气体测试
B.
使用纯氧通风
C.
隔高
D.
通风
E.
清洗
收藏
纠错
解析
25
[多选题]
2575、关于CNG加气站选址的说法,正确的是( )。
A.
应符合城镇规范
B.
符合环境保护和防火安全要求
C.
应选在交通便利的地方
D.
城市建成区内可建一级加油站
E.
宜选在城市干道的交叉路口附近
收藏
纠错
解析
26
[多选题]
2576、高压和次高压燃气调压站室外( )上必须设置阀门。
A.
放散管
B.
进口管道
C.
过滤器
D.
出口管道
E.
排污管
收藏
纠错
解析
27
[多选题]
2577、埋地钢管的防腐措施中,属于阴极保护措施的有( )。
A.
牺牲阳极保护
B.
牺牲阴极保护
C.
强制电流保护
D.
3PE涂层
E.
三油两布
收藏
纠错
解析
28
[多选题]
2578、灶具燃烧时出现黄焰(红火)的处理方法有( )。
A.
调整阀门大小
B.
调整风门大小
C.
更换变形的火盖
D.
满水试验
E.
闭气试验
收藏
纠错
解析
29
[多选题]
2579、有毒物常用的净化方法是( )。
A.
燃烧法
B.
吸附法
C.
吸收法
D.
催化法
E.
还原法
收藏
纠错
解析
30
[多选题]
2580、天然气的输送方式有( )。
A.
液化储罐输送
B.
压缩储罐输送
C.
管道输送
D.
分开储存
E.
皮带运输
收藏
纠错
解析
31
[多选题]
2581、室内燃气管道强度试验应符合的要求有( )。
A.
在低压燃气管道系统达到试验压力时,稳压不少于1min,观察2min,无压力降为合格
B.
在低压燃气管道系统达到试验压力时,稳压不少于0.5h后,应用发泡剂检查所有接头,无渗漏、压力计量装置无压力降为合格
C.
在中压燃气管道系统达到试验压力时,稳压不少于0.5h后,应用发泡剂检查所有接头,无渗漏、压力计量装置无压力降为合格
D.
在中压燃气管道系统达到试验压力时,稳压不少于1h,观察压力计量装置,无压力降为合格
E.
当中压以上燃气管道系统进行强度试验时,应在达到试验压力的50%时停止不少于15min,用发泡荆检查所有接头,无渗漏后方可继续缓慢升压至试验压力井稳压不少于1h后,压力计量装置无压力降为合格
收藏
纠错
解析
32
[多选题]
2582、压力管道是指( )。
A.
利用一定的压力,用于输送气体或者液体的管状设备
B.
其范围规定为最高工作压力大于或者等于0.1MPa(表压)的气体、液化气体等
C.
公称直径大于25mm的管道
D.
公称直径大于50mm的管道
E.
LNG储存罐
收藏
纠错
解析
33
[多选题]
2583、施工现场用火应符合( )。
A.
动火作业应办理动火许可证
B.
动火操作人员应具备相应的资格
C.
4级以上风力应停止动火作
D.
管理因素
E.
环境因素
收藏
纠错
解析
34
[多选题]
2584、区域调压柜的设备主要包括( )。
A.
调压器
B.
过滤器
C.
压力表
D.
安全放散阀
E.
整流器
收藏
纠错
解析
35
[多选题]
2585、埋地钢质燃气管道应采( )双重保护。
A.
防腐绝缘层
B.
警示带
C.
保护板
D.
阴极保护系统
E.
整流器
收藏
纠错
解析
36
[多选题]
2586、液化石油气的危险特性有( )。
A.
易燃易爆
B.
储存方便
C.
易蒸发
D.
易泄漏、扩散
E.
易积聚
收藏
纠错
解析
37
[多选题]
2587、城镇燃气输配系统的的主要部分是燃气管网,根据所采用的管网压力级制不同可分( )。
A.
一级系统
B.
两级系统
C.
三级系统
D.
四级系统
E.
多级系统
收藏
纠错
解析
38
[多选题]
2588、在LNG安全操作中,严禁( )等操作。
A.
使用灭火器喷淋
B.
用水喷淋
C.
随意挪动
D.
用火烘烤冷冻部位
E.
敲打
收藏
纠错
解析
39
[多选题]
2589、属于容积式燃气表的有( )。
A.
膜式燃气表
B.
超声燃气表
C.
涡轮式燃气表
D.
湿式流量计
E.
腰轮式燃气表
收藏
纠错
解析
40
[多选题]
2590、属于速度式燃气表的是( )。
A.
膜式燃气表
B.
超声燃气表
C.
涡轮式燃气表
D.
湿式流量计
E.
腰轮式燃气表
收藏
纠错
解析
41
[多选题]
2591、热水供暖系统的分类方式主要有( )。
A.
热水供暖系统和蒸汽供暖系统系统
B.
自然循环系统和机械循环系统
C.
高温系统和低温系统
D.
单管系统和双管系统
E.
垂直式系统和水平式系统
收藏
纠错
解析
42
[多选题]
2592、蒸汽采暖与热水采暖相比的特点有( )。
A.
蒸汽采暖系统由于蒸汽的容重很小,所产生的静压力较小,用在高层建筑时可不必进行竖向分区。
B.
蒸汽采暖系统的初投资较热水采暖系统少。
C.
蒸汽采暖系统的热惰性很小,系统的加热和冷却速度都很大,较适用于要求加热迅速,间歇采暖的建筑物中。
D.
蒸汽采暖易发生烫伤事故,卫生效果较差,管道易被空气氧化腐蚀。
E.
蒸汽采暖热损失小和运行管理费相对要低。
收藏
纠错
解析
43
[多选题]
2593、冬季供暖通风系统的热负荷,应根据建筑物或房间的得、失热量确定,得热量有( )。
A.
围护结构传热耗热量
B.
生产车间最小负荷班的工艺设备散热量
C.
非供暖通风系统的其他管道和热表面的散热量
D.
热物料的散热量
E.
太阳辐射进入室内的热量
收藏
纠错
解析
44
[多选题]
2594、供暖系统设计热负荷的地位有( )。
A.
供暖设计中最基本的数据
B.
直接影响供暖系统方案的选择
C.
直接影响供暖管径的确定
D.
直接影响散热器等设备的确定
E.
直接影响建筑面积的确定
收藏
纠错
解析
45
[多选题]
2595、围护结构的附加耗热量包括( )。
A.
朝向修正耗热量
B.
风力附加耗热量
C.
高度附加耗热量
D.
冷风渗透耗热量
E.
冷风侵入耗热量
收藏
纠错
解析
46
[多选题]
2596、建筑节能的方法包括( )。
A.
墙体降耗
B.
门窗降耗
C.
屋顶降耗
D.
地面降耗
E.
地下降耗
收藏
纠错
解析
47
[多选题]
2597、有顶棚的坡屋面综合传热系数计算时需要考虑主要的因素有( )。
A.
顶棚各层材料的导热系数
B.
屋面与顶棚的夹角
C.
顶棚两侧的夹角
D.
屋面材料的灰缝和干燥缓慢
E.
屋面各层材料的导热系数
收藏
纠错
解析
48
[多选题]
2598、改变风机特性的正确方法有( )。
A.
改变通风机转速
B.
改变通风机进口导流叶片角度
C.
调节通风机吸入口阀门
D.
改变管网特性曲线
E.
动叶调节
收藏
纠错
解析
49
[多选题]
2599、某民用建筑的送风系统中,有关通风机的选用规定,错误的是( )。
A.
在设计工况下,通风机的效率不低于90%
B.
通风机风量应附加15%的风管和设备的漏风量
C.
通风机风量应附加5~10%的风管和设备的漏风量
D.
定速通风机的压力在计算系统总压力损失上宜附加20%
E.
定速通风机的压力在计算系统总压力损失上宜附加10~15%
收藏
纠错
解析
50
[多选题]
2600、某住宅小区设置有5个地下车库,面积分别为1号车库1500m²、2号车库2030m²、3号车库1960m²、4号车库1500m²和5号车库900m²。可采用自然排烟的地下车库应是( )。
A.
1号车库
B.
2号车库
C.
3号车库
D.
4号车库
E.
5号车库
收藏
纠错
解析
答题卡
重做
多选题
(共50题)
1
2
3
4
5
6
7
8
9
10
11
12
13
14
15
16
17
18
19
20
21
22
23
24
25
26
27
28
29
30
31
32
33
34
35
36
37
38
39
40
41
42
43
44
45
46
47
48
49
50